[Date Prev][Date Next][Thread Prev][Thread Next][Date Index][Thread Index]

Re: [Xylo-SDR] Janus board block diagram



Hi Helmut,

Will do, you can get a free Visio viewer from the Microsoft web site

http://www.microsoft.com/downloads/details.aspx?FamilyID=8FAD9237-C0A7-4B80-
A5DF-46CE54DAD2DF&displaylang=EN

Phil...




Quoting vk4str <[email protected]>:

> Hi Phil,
> The gif file didnt make it to QLD, hi. Have nothing to view the .vsd 
> file, sorry.
> Could you please send it to me direct, thanks.
> 
> Best, Helmut
> 
> 
> [email protected] wrote:
> > Looks like the HTML file did not make it through the system.  Attached is a
> 
> > GIF that should get throught OK.
> > 
> > I see that sending attachments causes problems - where should we send such
> 
> > diagrams in the future?
> > 
> _______________________________________________
> Xylo-SDR mailing list
> To post msg: [email protected]
> Subscription help: http://lists.ae5k.us/listinfo.cgi/xylo-sdr-ae5k.us
> Xylo-SDR web page: http://xylo-sdr.ae5k.us
> Forum pages: http://www.hamsdr.com/hamsdrforum/
> Archives: http://lists.ae5k.us/pipermail/xylo-sdr-ae5k.us/
> 


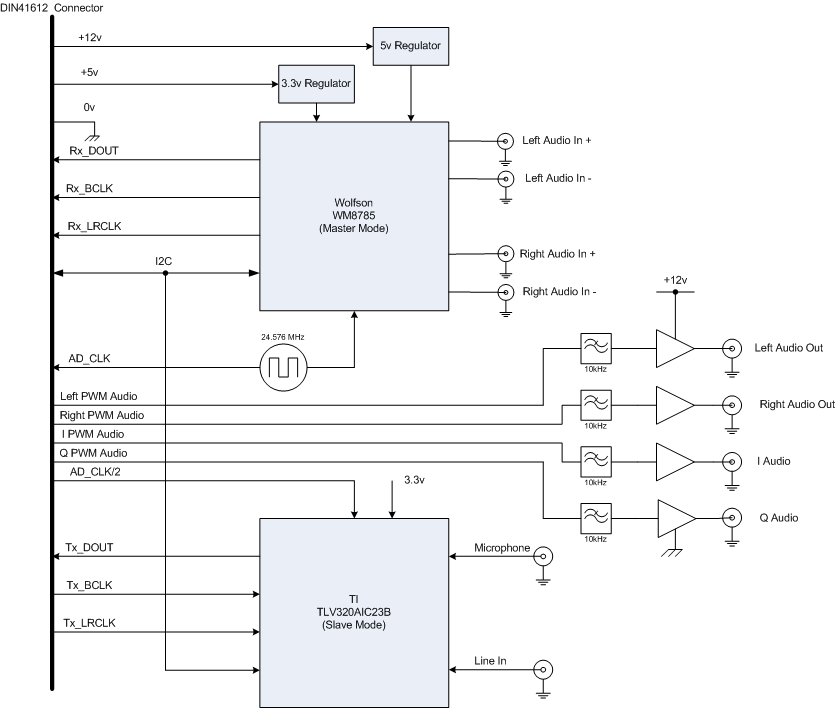
Attachment: A_d and D_A.gif
Description: GIF image